關于2023年度(下半年)襄陽市建筑優質工程結構過程評價結果的公示
發布時間:2024-04-28 瀏覽次數: 6382次
縣(市)區、開發區建筑業協會、各會員單位:
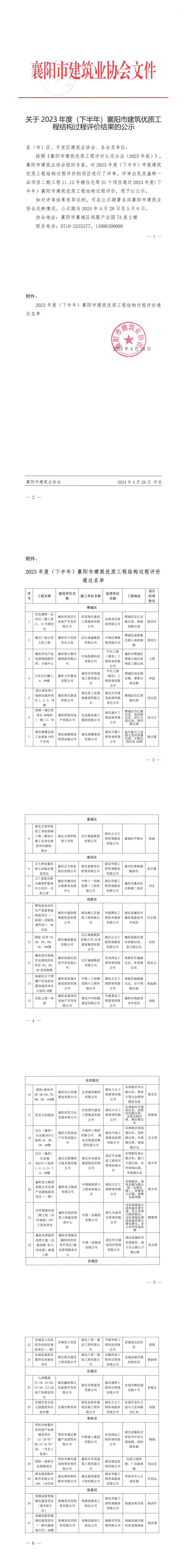
按照《襄陽市建筑優質工程評價認定辦法(2023年版)》,襄陽市建筑業協會組織專家,對2023年度(下半年)申報建筑優質工程結構過程評價的項目進行了評審,評審出民發盛特一品項目二期工程11、12號樓住宅等31個項目通過2023年度(下半年)襄陽市建筑優質工程結構過程評價,現予以公示。
如對評審結果有異議的,可在公示期署名向襄陽市建筑業協會反映情況,公示期為2024年4月28日至5月6日。
協會地址:襄陽市襄城區伺服產業園7A座2樓
聯系電話:0710-3235377,13986300009
附件:
2023年度(下半年)襄陽市建筑優質工程結構過程評價通過名單
2024年4月28日

關于2023年度(下半年)襄陽市建筑結構優質工程評審結果的公示
